ECONITRY Nitric acid activating bath control unit
ECONITRY is a nitric acid activating bath control unit which is optimal for regulating nitrogen in wastewater. It continuously removes zinc from nitric acid activating solutions, and maintains its activity. It stabilizes and improves the quality of chromate finishing. Saturated ion exchange columns are regenerated at our Resource Center.
Features
- Stabilization and improvement of plating quality
- Compliance with nitrogen regulations
- Significant reduction in wastewater treatment load
- Reduction in work-hours for bath construction process

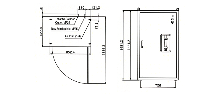
Technical specifications
| Model | W1ZP-50S |
|---|---|
| Flow-through volume | ~1500L/h |
| Dimensions[W×D×H] | 852.4×627.4×1451.2mm |
| Weight(Operating weight) | 210kg(260kg) |
| Materials of side to contact solution | SUS316 / PVC |
| Power consumption | 3-Phase AC 200 V 50Hz : 180W / 60Hz : 260W |
* Regeneration unit Model W1XC-50ZP is optional.
Dimensions
